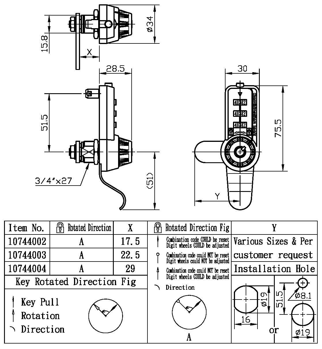
107440
保險箱號碼鎖-3字輪
1. 號碼鎖,搭配高安全性的ABACO使用
2. 可做Master Key & Grand Master Key 系統
3. 鋅合金材質,配備3個字輪,共有1,000種號碼變化
4. 鎖匙部分可做1,000種以上號碼變化
5. 平時使用時以字輪號碼為主,當忘記號碼時可用錀匙打開,並可快速找回號碼
6. 適用於金屬/非金屬、木門、箱子、盒子、抽屜、工具櫃、寄物櫃、櫥櫃等
7. 可任意設定號碼
2. 可做Master Key & Grand Master Key 系統
3. 鋅合金材質,配備3個字輪,共有1,000種號碼變化
4. 鎖匙部分可做1,000種以上號碼變化
5. 平時使用時以字輪號碼為主,當忘記號碼時可用錀匙打開,並可快速找回號碼
6. 適用於金屬/非金屬、木門、箱子、盒子、抽屜、工具櫃、寄物櫃、櫥櫃等
7. 可任意設定號碼
緊湊且可靠的三位數密碼安全保障
想像一個飯店客房或分租共享空間,房客需要一種快速、無需鑰匙的方式來鎖固個人保險箱、珠寶盒或現金抽屜。對於臨時儲物來說,隨身攜帶實體鑰匙往往不夠便利。ABA 107440 密碼保管箱鎖 (Combination Safe Lock) 是滿足這些日常安全需求的完美鎖固方案 (Locking Solution)。作為經驗豐富的鎖具製造商 (Lock Manufacturer),我們採用高品質鋅合金 (Zinc Alloy) 打造這款三位數轉舌鎖,提供 1,000 組可由使用者輕鬆重設的密碼組合 (Key Combinations)。
107440 型號 專為機械可靠性 (Mechanical Reliability) 與緊湊安裝而設計,是小型機殼、醫藥櫃及健身房置物櫃不可或缺的安全組件 (Security Component)。其直覺式的設計確保了高效的資產保護 (Asset Protection),且無遺失鑰匙的風險。針對我們的 OEM/ODM 合作夥伴,ABA 提供可客製化的轉舌片配置 (Cam Configurations),以確保能完美契合各種櫃體厚度。信任 ABA 的精密工程 (Precision Engineering),為您提供兼顧使用者便利與工業級耐用性的高性價比免鑰匙存取 (Keyless Access) 方案。
