101480
提款機鎖
1. 高安全性寶塔鎖系統
2. 鎖心內牙採螺絲固定
3. 鋅合金鎖殼及鎖心
4. 適用於金屬/非金屬、木門、箱子、盒子、抽屜、電動玩具、工具櫃、自動販賣機等
5. 10,000 個以上號碼變化
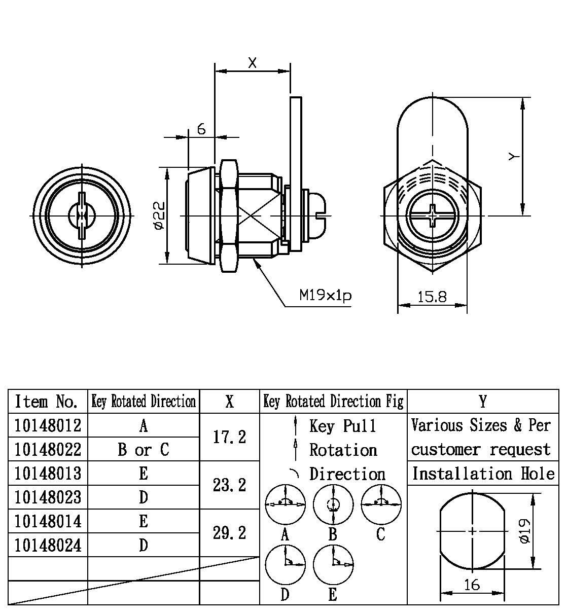
6. 附舌片及螺帽(舌片"Y"尺寸可依客戶需求提供,或參考附件類)
2. 鎖心內牙採螺絲固定
3. 鋅合金鎖殼及鎖心
4. 適用於金屬/非金屬、木門、箱子、盒子、抽屜、電動玩具、工具櫃、自動販賣機等
5. 10,000 個以上號碼變化
6. 附舌片及螺帽(舌片"Y"尺寸可依客戶需求提供,或參考附件類)
快速存取與高強度防禦的完美結合
想像一個位於偏遠戶外環境的關鍵電信機箱或工業控制面板。技術人員需要快速存取 (Rapid Access) 以進行頻繁維護,但這些設備卻容易受到惡意破壞與盜竊。ABA 101480 高安全四分之一轉鎖 (High Security Quarter Turn Lock) 正是應對此挑戰的終極答案。作為專業的鎖具製造商 (Lock Manufacturer),我們將專利高安全鎖芯 (High-Security Cylinder) 整合至堅固的四分之一轉機制中,在實現快速操作的同時,絕不犧牲其防盜 (Anti-Theft) 的完整性。
101480 型號 由高強度鋅合金 (Zinc Alloy) 製成,並具備耐候性 (Weatherproof) 設計,專為抵禦惡劣戶外環境而生,同時能有效抵抗專業的挑鎖與鑽孔破壞。它是發電機組、交通控制箱及公共設施機櫃不可或缺的安全組件 (Security Component)。針對我們的 OEM/ODM 合作夥伴,我們提供靈活的轉舌片長度 (Cam Lengths) 與先進的鑰匙管理系統 (Key Management Systems),確保您的大型基礎設施項目受到精密工程 (Precision Engineering) 與卓越資產保護 (Asset Protection) 的全面守護。在速度與安全同等重要的情境下,信任 ABA 的高安全鎖固 (High-Security Locking) 方案。
