102400
管狀鎖
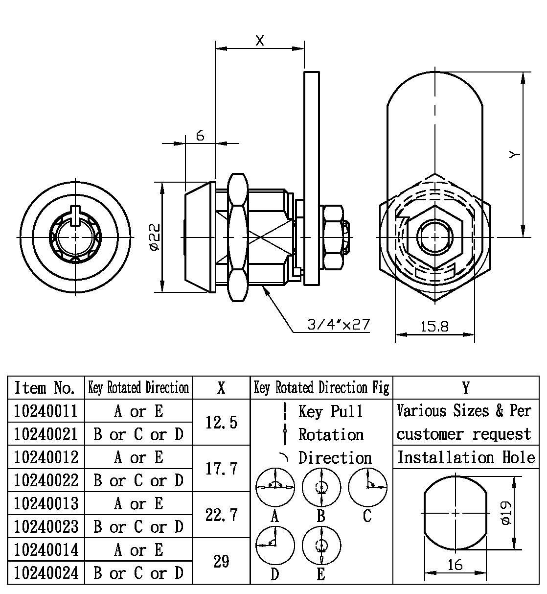
1、鎖心外牙採螺帽固定、鎖心內牙採螺絲固定,銅或鋅合金鎖殼與鎖心
2、鋅合金或不銹鋼(依客戶需求)鎖殼及鎖心
3、適用於金屬/非金屬、木門、箱子、盒子、抽屜、工具櫃等
4、10,000 個以上號碼變化
5、附舌片及螺帽(舌片"A,B"尺寸可依客戶需求提供,或參考附件類)
6、其它零件材質也可依客戶需求「提供不銹鋼材質服務」
2、鋅合金或不銹鋼(依客戶需求)鎖殼及鎖心
3、適用於金屬/非金屬、木門、箱子、盒子、抽屜、工具櫃等
4、10,000 個以上號碼變化
5、附舌片及螺帽(舌片"A,B"尺寸可依客戶需求提供,或參考附件類)
6、其它零件材質也可依客戶需求「提供不銹鋼材質服務」
高效管理與進階存取控制的結合
想像一下,您正在管理一家大型健身中心或擁有數百個獨立置物櫃與儲物櫃的高階企業辦公室。為每位使用者提供唯一的鑰匙是必要的,但對於設施管理者而言,在維護或緊急狀況時擁有即時存取權限同樣至關重要。ABA 102400 萬能鑰匙轉舌鎖 (Master Key Cam Lock) 正是為此情境而設計。作為專業的鎖具製造商 (Lock Manufacturer),我們研發了這款支持複雜萬能鑰匙系統 (Master Key System) 的鎖具,在維持個人隱私的同時,實現無縫的行政管理存取 (Administrative Access)。
102400 型號 由耐用的鋅合金 (Zinc Alloy) 製成,並配備高精度的鎖芯機制 (Tumbler Mechanism),提供順暢的使用體驗與長效的機械可靠性 (Mechanical Reliability)。它是信箱區、機構傢俱及零售展示櫃的首選安全組件 (Security Component)。針對我們的 OEM/ODM 合作夥伴,ABA 提供可客製化的鑰匙選項 (Keying Options) 與多種轉舌片長度 (Cam Lengths),確保您的資產保護 (Asset Protection) 策略既堅固又易於管理。信任 ABA 的精密工程 (Precision Engineering),以專業的鎖固方案 (Locking Solutions) 簡化您的鑰匙管理 (Key Control) 挑戰。
